用户登录:用户名  密码  会员服务
  首页 | 最新采购 | 现货热卖 | IC库存 | 非IC库存 | 应用资料&程序库 | 交流区 | 供应商 | 生产商 | 技术资料
应用资料:  
您现在的位置:首页 >  技术资料   上载库存  

有线电视双向放大器的设计

 众所周知随着信息产业的不断发展,对信息传输通道的要求越来越高,HFC网络的带宽以及普及性有着它得天独厚的优越性,这是时下其他网络暂时不具有的。加上HFC光纤主干网的建设以及光节点的不断延伸,都为有线电视网络的发展带来了许多机会。当然要在有线电视网上实现数据、语音、图象等多媒体通讯,首先要将现有的单向广播式网络升级为能够实现双向传输的智能化网络。为了让有线电视器材生产厂家、以及广大用户更好的了解双向放大器、同时设计、生产出合格的、有极高性价比的有线电视双向放大器,本文将介绍一款采用“科健有线网络公司”生产的正向和反向放大模块设计的一款有线电视双向放大器。该款放大器电路简洁、可靠性高、产品一致性好;采用高频双面线路板、SMT贴片工艺;具有优良的带内平坦度与反射损耗指标。而且无源平台支持1000MHz带宽,同一张PCB兼容550MHz、750MHz、860MHz、1GHz以及集中AC60V供电和独立AC220V供电产品,同时具有较低的生产成本,利于广大有线电视器材厂家的批量生产、工艺管理以及市场竞争。

一.原理简介

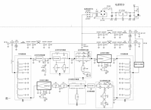
  图一是这款放大器的电原理图。下行的电视频道RF信号由标有“RF IN”的F座引入放大器。RF信号通过高频高压瓷片电容C1耦合,经“双向滤波器”(高频通道)、“正向手动衰减器”、“正向手动均衡器”、“正向频响矫正器”进入正向放大模块。被放大后的RF信号经过“双向滤波器”(高频通道)、桥接分支/分配器、高频高压瓷片电容C19、最后由F座“RF OUT”再引出放大器,送往下一级或用户。由桥接分支/分配器分离出来的另一路RF信号既可以按照用户需要做成各种分支量的桥接信号通过C20、F座“RF BR”送出放大器。也可以衰减20 dB作为测试信号,为维护人员提供不间断测试,这样该测试信号的电平加上20 dB就是这台放大器“RF OUT”端口的实际输出电平。上行的回传信号由F座“RF OUT”引入(作为桥接时“RF BR”引入的信号与“RF OUT”引入的信号在“桥接分支/分配器”处混合),经“双向滤波器”(低频通道)、“反向频响矫正器”、“反向手动衰减器”、“反向固定均衡器”、三节低通滤波器、进入反向放大模块。被放大后的RF信号经过“双向滤波器”(低频通道)、高频高压瓷片电容C1,最后由F座“RF IN”再引出放大器,送往上一级放大器或直接送往光节点。


图一

  L01、L02、L03、C05~C017组成了AC60V集中供电的滤波回路,AC60V的供给有可能是前馈、也有可能是后馈或混合式,放大器中的PASS IN、PASS OUT 和PASS BR过流插片将提供方便的馈电方式选择。K为电源选择开关,当线路供电低于AC50V时,请将此开关拨到“AC48V”挡,以免放大器出现工作不正常。但线路供电高于AC50V时,要将此开关拨到“AC60V”挡,否则会造成变压器损坏或整台放大器烧毁。

  双向滤波器是实现放大器具有双向功能的重要部件,双向滤波器的带内平坦度、反射、带外抑制比、陡峭度、隔离度、群时延等等都是重要的指标,本文这款放大器中的双向滤波器是以“7节椭圆函数滤波器”为设计原形。低通滤波器的变换是以75Ω的阻抗和低通频率标度系数(FSF)对所选滤波器原形进行“去归一化”,即得到双向滤波器低通部分。高通滤波器应该先进行低通到高通的频率变换,然后再以75Ω的阻抗和高通频率标度系数(FSF)进行“去归一化”,即得到双向滤波器高通部分。将得到的高、低通滤波器合并,如果有条件可以将得到的数据录入专用的射频仿真软件进行自动仿真、优化,以得到较好的带内平坦度、反射、隔离度等指标,最后再进行实际调试和修正。该滤波器包括电感全部采用SMT器件,所以一致性好、可靠性高、工艺性好,基本上不需要调试(滤波器的全部电容均采用精度为1%的SMD电容;电感必须采用优质SMD电感,否则指标难以达标)。采用上述方法设计、仿真优化、生产出来的双向滤波器具有较好的特性:平坦度±0.45 dB、反射优于17.5 dB、隔离度优于50 dB、插入损耗优于0.60dB、群时延优于7.5nS。

图二a是30MHz/6dB插片式固定均衡器电原理图,它采用了桥“T”型电路,调整L1、L2可使30MHz谐振点损耗低于0.4dB,均衡误差优于±0.5dB。

图二b是42MHz/6dB插片式固定均衡器电原理图,它采用了“T”型电路,调整L1、L2可使42MHz谐振点损耗低于0.6dB,均衡误差优于±0.4dB。

图三a、图三b分别是以上两款均衡器在专业射频仿真软件中得到的传输/反射曲线图,与标量网络分析仪实策指标相差不多(测试工装的带宽1000MHz、不平坦的为±0.20dB、反射优于-25dB)。

二.元件选择

  C1、C19、C20选用222/2KV或103/2KV的优质高频高压瓷片电容,该电容的外型尺寸不宜太大,否则会对反射造成影响,以至于难以补偿。C05、C07、C010、C012 、C014、C016选用103/1KV的高频高压瓷片电容;C06、C09、C013选用104/250V的薄膜电容;C08、C011、C015、C017选用224/250V的薄膜电容。电源部分的C01、C03电容分别选用1000uF/63V和470 uF/50V、最高耐温为105℃的优质电解电容;C02、C04选用104/63V的高频瓷片电容。D1—D4可选用1N4004或耐压更高的整流二极管。其他阻容元器件均为0805的表面贴片元件。

三.整机调试及注意事项

  C2、C4、C5、C6是输入端补偿电容,C7是输出端补偿电容。该款放大器的调试较简单,而且一致性很好,补偿电容一般在0.5pF—2.0pF之间选取,适当的补偿可改善带内平坦度和输入、输出反射指标。这款放大器我们只在C2、C6、C7等出做了相应补偿,就可以达到设计要求。另外要注意:对于采用AC60V内供电的放大器,无论是否插拔过流插片,都不应该在传输曲线上产生吸收、或凸点。

  R1、L2、C3组成的一个串联谐振回路,主要功能是用于矫正由电缆引起的“鼓包”现象。工程中常见的由电缆引起的“鼓包”,一般频率在200MHz附近。R1用来调整矫正量,C5用来调整矫正频率。这种“鼓包”与手动均衡器产生的“鼓包”不同,请多加注意。通过大量的实际应用,我们认为可以将该矫正电路的频率范围调在168M-200M之间,吸收量在-0.5dB左右即可。

四.测试指标及其他

  此款双向放大器中选用的模块是采用管芯工艺的放大器模块——KF888C和KR67AC。除了可靠性、稳定性较高外,它的“射频特性”和“传输模式”也较为优秀。当然如果改用进口PHILIPS或MOTOROLA的模块指标也会有一些提高,可以用于要求较高的网络中。图四是采用“惠普”网络分析仪,对本文介绍的这款860MHz双向放大器的正向传输/输入反射的测试指标。从仪器上反映出来的带内平坦度优于±0.4dB;输入反射优于-16dB;下行87MHz—860MHz。非线性失真指标采用自产60路信号源、惠普HP8591C频普分析仪测试(实际送入60路信号),当输出电平为106dB时,22频道的CTB指标为63.8dB,CSO指标为64.6dB。最大输出电平采用国产3路信号源、惠普HP8591C频普分析仪测试,输入的三路信号频率为735.25MHz、743.25 MHz、745.25 MHz,最大输出电平为120.5dB 。当三路信号源的频率变为847.25MHz、855.25MHz、857.25MHz时,最大输出电平则降为119.3dB
。噪声系数采用惠普HP8970测试,正向为6.8dB、反向为4.7dB。实际工程中,在末端级联6台该款放大器,传输36路有线电视信号,在用户端没有发现由CSO、CTB指标引起的横条或网状干扰现象;由于滤波器采用专用射频仿真软件设计,因此群时延引起的彩色失真可以忽略。(完)




关于我们 | 会员服务 | 广告服务 | 支付方式 | 联系我们 | 友情链接

会员服务热线:

深圳矽通科技版权所有 © Copyright 2005-2007, ic-cn.com.cn All Right Reserved.  粤ICP备07006430号
深  圳13410210660             QQ : 317143513   点击这里与电子元件采购网联系
客服联系: MSN:CaiZH01@hotmail.com       E-mail:info@ic-cn.com.cn